Toptan Siklon Plakalı Islak Yıkayıcı

  • Siklon Plakalı Islak Yıkayıcı

Siklon Plakalı Islak Yıkayıcı

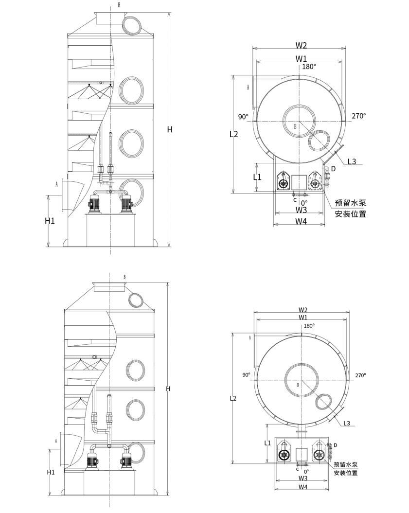
Siklon temizleme kulesi tipik olarak spiral saptırma plakalarıyla donatılmış silindirik bir kule gövdesine sahiptir. İşletme sırasında baca gazı kulenin alt kısmından teğetsel olarak girer ve yukarı doğru akar. Yönlendirme plakalarının kanatları tarafından yönlendirilen gaz, yukarı doğru spiraller çizerek plakalardan aşağı akan sıvıyı ince damlacıklar halinde atomize eder. Bu, geniş bir gaz-sıvı temas alanı oluşturur. Damlacıklar gaz akışı tarafından taşınır ve dönerek gaz-sıvı etkileşimini artıran merkezkaç kuvveti üretir. Sonunda damlacıklar kule duvarına atılır, duvar boyunca aşağı doğru bir sonraki yönlendirme plakasına akar ve daha fazla temas için gaz akışı tarafından yeniden atomize edilir. Açıklandığı gibi sıvı, gazla tam temas sağlarken etkili bir ayırma sağlar ve buğu sürüklenmesini en aza indirir. Bu sistemin gaz-sıvı yük kapasitesi, geleneksel yönlendirme plakalarının iki katından fazladır.

Kulenin mükemmel gaz-sıvı temas koşulları, atık gazların alkali sıvılar tarafından verimli bir şekilde emilmesini sağlar. Ayrıca siklon temizleme kulesi üstün toz giderme performansı sergiliyor. Gazdaki toz parçacıkları, spiral yönlendirme plakaları üzerindeki su sisi tarafından yakalanır ve merkezkaç kuvvetiyle kule duvarına fırlatılan parçacıklar ve damlacıklar da etkili bir şekilde uzaklaştırılır. Sonuç olarak kuleden çıkan gaz, minimum düzeyde toz ve damlacık taşır. Boş kule rüzgar hızı 2,2–2,7 m/s arasında değişmektedir.

Girdaplı püskürtme kulesi yapısı:
Şekilde gösterildiği gibi: Komple paketli sprey fırçalama sistemi aşağıdaki bileşenleri içerir:

● PP (polipropilen) levhalardan yapılmış kule gövdesi;

● PP spiral saptırma plakalarından yapılmış çerçeve;

● UPVC'den (plastikleştirilmemiş polivinil klorür) yapılmış sprey bağlantı boruları;

● PP spiral nozullar;

● Korozyona dayanıklı PP sirkülasyon pompası;

● Buğu çözücü katman (örgü/siklon/bölme tipi);

● Manuel ve otomatik su doldurma cihazları;

● Taşma ve drenaj boruları;

● İnceleme penceresi.

Siklon plakalı kule seçim parametreleri:
Nakliye kolaylığı ve güvenliğini sağlamak için PP siklon temizleme kuleleri iki spesifikasyon kategorisine ayrılmıştır:

Tip 1: Entegre su deposu siklon yıkayıcı (Kule çapı: Φ1000mm-Φ2200mm)

Tip 2: Bölmeli tip su deposu siklon yıkayıcı (Kule çapı: Φ2500mm-Φ3500mm)


Hava akış kapasitesine karşılık gelen siklon temizleme kulesi modelleri:

Modeli Hava hacmi aralığı Cihaz boyutu Su pompası gücü Girdaplı bıçak sayısı Rüzgar hızı aralığı Ekipman malzemesi
XL-600 0-2800m³/saat Φ600×2950 0.75kw 2 0-2,76 m/sn PP/304/Q235/FRP
XL-800 3800-5000m³/saat Φ800×3300 0.75kw 2 2,11-2,77 m/sn PP/304/Q235/FRP
XL-1000 6000-7500m³/saat Φ1000×4380 1,5 kW 2 2,13-2,66m/sn PP/304/Q235/FRP
XL-1200 8500-11000m³/saat Φ1200×4430 2,2 kW 2 2,09-2,71 m/sn PP/304/Q235/FRP
XL-1500 14000-17000m³/saat Φ1500×5000 3,75kw 2 2,2-2,68 m/sn PP/304/Q235/FRP
XL-1800 20000-25000m³/saat Φ1800×5650 5,5kw 2 2,19-2,73 m/sn PP/304/Q235/FRP
XL-2000 25001-30000m³/saat Φ2000×6200 5,5kw 2 2,21-2,66m/sn PP/304/Q235/FRP
XL-2200 30001-37000m³/saat Φ2200×6700 7,5 kW 2 2,19-2,71m/sn PP/304/Q235/FRP
XL-2500 40000-47000m³/saat Φ2500×6850 7,5 kW 2 2,27-2,66 m/sn PP/304/Q235/FRP
XL-2800 49000-58000m³/saat Φ2800×7900 11 kW 2 2,21-2,62 m/sn PP/304/Q235/FRP
XL-3000 58000-68000m³/saat Φ3000×8000 11 kW 2 2,28-2,67 m/sn PP/304/Q235/FRP
XL-3200 68000-78000m³/saat Φ3200×8000 15 kW 2 2,35-2,7 m/sn PP/304/Q235/FRP
XL-3500 78000-88000m³/saat Φ3500×8000 15 kW 2 2,25-2,54 m/sn PP/304/Q235/FRP

Not: Müşteri isteğine göre standart dışı tasarımlar yapılabilmektedir.

Seçim şeması:

Hangzhou Lvran Çevre Koruma Grubu Co., Ltd.

  • 1000+

    Hizmet birimi müşterileri

  • 2000+

    Ulusal Mühendislik Örnekleri

Hangzhou Lvran Environmental Protection Group Co., Ltd., Ar-Ge, teknik hizmetler, tasarım, üretim, mühendislik kurulumu ve satış sonrası hizmetleri entegre eden kapsamlı bir atık gaz arıtma sistemi mühendislik servis sağlayıcısı ve ekipman üreticisidir.

We are China Siklon Plakalı Islak Yıkayıcı Suppliers and Wholesale Siklon Plakalı Islak Yıkayıcı Exporter, Company. Grup, ulusal bir yüksek teknoloji kuruluşu, bir Zhejiang Eyaleti bilim ve teknoloji kuruluşu, bölgesel bir Ar-Ge merkezi ve AAA dereceli bir kredi birimidir. 30'dan fazla faydalı model patentine, çok sayıda buluş patentine ve yazılım telif hakkına sahiptir. Grubun, Anhui Bilim ve Teknoloji Üniversitesi ile kurulan "Çevresel Yenilik Ar-Ge Merkezi" ve Zhejiang Bilim ve Teknoloji Üniversitesi ile ortaklaşa geliştirilen "Plazma Enerjisi ve Çevresel Yeni Teknoloji Ar-Ge Merkezi" dahil olmak üzere yerli üniversiteler ve kurumlarla uzun süredir devam eden teknik Ar-Ge işbirlikleri bulunmaktadır. Grup, derinlemesine teknik işbirliği için kendi Ar-Ge ve üretim üssünü kurmuştur. Grup, temel VOC gaz arıtma teknolojisine, belediye bayındırlık işleri inşaatı için Seviye 2 genel müteahhitlik yeterliliğine, güvenli üretim lisansına, Zhejiang Eyaletindeki çevre kirliliği kontrolüne yönelik B Sınıfı özel tasarım yeterliliğine, sınıflandırılmamış işgücü hizmeti niteliklerine ve özel projeler için özel sözleşmelere sahiptir. Grup, uluslararası kalite için ISO9001, çevre yönetimi için ISO14001 ve iş sağlığı ve güvenliği için ISO45001 sertifikasına sahiptir.

ONUR & SERTİFİKA

Aşağıdaki ödüller bizim parlaklığımızı temsil ediyor. Yüksek kaliteli ürünlerle müşteriler kazanırız ve iyi hizmetlerle piyasadan ve hayatın her kesiminden büyük övgüler kazanırız.

  • Yüzey boyunca sızıntıyı önlemek için plaka tipi yüksek elektrik alanlı temel ünite ve reaktör
  • Karbon dioksit ve su kullanarak metanol sentezlemek için bir reaksiyon cihazı ve karbondioksit ve su kullanarak metanol sentezlemek için bir yöntem
  • Kendi kendini temizleyen elektrostatik çöktürücü
  • Rüzgar yönü ayarlama fonksiyonuna sahip, korozyona dayanıklı yüksek basınçlı fan
  • Ayarlanabilir, kendi kendini temizleyen, yüksek kapasiteli fan
  • Kombine katalitik gazlaştırma egzoz gazı ön arıtma kontrol sistemi
  • Buharlı temizleme sürekli elektrostatik alan egzoz gazı arıtma ve arıtma sistemi
  • Düşük sıcaklıkta plazma UV fotoliz egzoz gazı arıtma ekipmanı sistemi
  • Marka tescil belgesi
Son Haberler ve Etkinlikler
Sizinle paylaşın
Daha Fazla Haber Görüntüle