Toptan Kimyasal Yıkayıcı

  • Kimyasal Yıkayıcı

Kimyasal Yıkayıcı

Kimyasal temizleyici, gelişmiş bir temizleme filtresidir. Kütle transferi ve dehidrasyon paketlemesi olarak özel bir yapı ve düzenli paketlemenin geniş spesifik yüzey alanını kullanır. Aynı zamanda kokudaki farklı kokuya neden olan bileşenlere göre karşılık gelen asit, alkali ve oksidan, mekandaki kokuyu gidermek ve çevredeki ortama olan etkiyi ortadan kaldırmak için absorbe yıkama sıvısı olarak kullanılır.

Kokulu hava akımı, hava kanalı aracılığıyla taşınarak kule girişinden kuleye girer. Kuleye girdikten sonra aşağıdan yukarıya doğru paketleme katmanından geçer ve son olarak korozyon önleyici fan vasıtasıyla kule üst boru hattı çıkışından boşaltılır. Nötrleştirme çözeltisi, kulenin tepesindeki sıvı ayırıcıdan geçer, paketleme katmanına eşit şekilde püskürtülür, kulenin tabanından boru hattı yoluyla boşaltılana kadar paketleme katmanının yüzeyi boyunca aşağı doğru akar ve korozyon önleyici sirkülasyon pompası tarafından dolaştırılır. Yükselen hava akışındaki çözünen maddelerin konsantrasyonu giderek azaldıkça, kulenin tepesine ulaştığında arıtma işlevi gerçekleştirilir ve bir sonraki adımla boşaltılır veya saflaştırılmaya devam edilir. Aksine, inen sıvıdaki ortamın konsantrasyonu giderek artar ve kule tabanına ulaşıp kuleden boşaltıldığında proses şartlarına ulaşır.

Püskürtme paketleme kulesinin avantajları: Yüksek verimliliğe, küçük sıvı tutma kapasitesine, hafifliğe ve kolay kullanıma sahiptir, bu da çalışanların hemen çalışmaya başlamasına olanak tanır. Dolgu maddesi müşteri tarafından sağlanan çalışma koşullarına göre seçilebilir. Pek çok türü vardır ve genellikle korozyona dayanıklı bilyeli halkalar kullanılır. Ancak, katı askıdaki maddenin büyük parçacık çapından dolayı dolguyu tıkayabileceği, dolayısıyla katı madde arıtımı için genellikle uygun olmadığı unutulmamalıdır. Örneğin fabrikaların ürettiği NH₃, HCl, H₂S, nitrojen oksitler ve organik atık gazlar bu ekipmanla etkin bir şekilde arıtılabilmektedir.

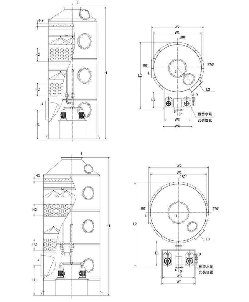
Kimyasal yıkayıcı yapısı:
Şekilde gösterildiği gibi: Komple paketli sprey fırçalama sistemi aşağıdaki bileşenleri içerir:

1. PP (polipropilen) levhalardan yapılmış kule gövdesi;

2. PP ızgara panellerinden yapılmış ambalaj destek çerçevesi;

3. UPVC'den yapılmış sprey bağlantı boruları;

4. PP spiral nozullar;

5. İçi boş top veya Pall halkalı ambalaj;

6. Korozyona dayanıklı PP sirkülasyon pompası;

7. Örgü buğu çözücü katmanı;

8. Manuel ve otomatik su doldurma cihazları;

9. Taşma ve drenaj boruları;

10. İnceleme penceresi.

Kimyasal yıkayıcı seçimi:
Paketli Püskürtmeli Yıkayıcının Teknik Parametre Tablosu

Taşıma kolaylığı ve güvenliğini sağlamak için PP ambalajlı sprey yıkayıcılar iki türe ayrılır:

Tip 1: Entegre su deposu dolgulu sprey temizleyici (Kule çapı: Φ1000mm-Φ2200mm)

Tip 2: Bölmeli tip su deposu dolgulu sprey yıkayıcı (Kule çapı: Φ2500mm-Φ3500mm)


Hava Akış Kapasitesine Karşılık Gelen Modeli Özellikleri:

Model Hava hacmi Cihaz boyutu Su pompası gücü Doldurma kalınlığı Rüzgar hızı Ekipman malzemesi
LRTL-600 0-1500m³/saat Φ600x3000 0.75kw 500*2 1,48 m/sn PP/304/Q235/FRP
LRTL-800 1501-2500m³/saat Φ800x3000 0.75kw 500*2 1,39 m/sn PP/304/Q235/FRP
LRTL-1000 2501-4000m³/saat Φ1000x5000 1,5 kW 500*2 1,42 m/sn PP/304/Q235/FRP
LRTL-1200 4001-6000m³/saat Φ1200x5000 2,2 kW 500*2 1,48 m/sn PP/304/Q235/FRP
LRTL-1500 6001-9500m³/saat Φ1500x5000 3,75kw 500*2 1,5 m/sn PP/304/Q235/FRP
LRTL-1800 9501-14000m³/saat Φ1800x5000 5,5kw 500*2 1,53 m/sn PP/304/Q235/FRP
LRTL-2000 14001-17000m³/saat Φ2000x6000 5,5kw 500*2 1,5 m/sn PP/304/Q235/FRP
LRTL-2200 17001-20000m³/saat Φ2200x6000 7,5 kW 500*2 1,46 m/sn PP/304/Q235/FRP
LRTL-2500 20001-27000m³/saat Φ2500x6000 7,5 kW 500*2 1,53 m/sn PP/304/Q235/FRP
LRTL-2800 27001-33000m³/saat Φ2800x6000 15 kW 500*2 1,49 m/sn PP/304/Q235/FRP
LRTL-3000 33001-38000m³/saat Φ3000x6800 15 kW 500*2 1,49 m/sn PP/304/Q235/FRP
LRTL-3200 38001-44000m³/saat Φ3200x6800 15 kW 500*2 1,52 m/sn PP/304/Q235/FRP
LRTL-3500 44001-55000m³/saat Φ3500x6800 15 kW 500*2 1,5 m/sn PP/304/Q235/FRP

Not: Standart dışı tasarımlar müşteri isteğine göre özelleştirilebilir.

Seçim şeması:

Hangzhou Lvran Çevre Koruma Grubu Co., Ltd.

  • 1000+

    Hizmet birimi müşterileri

  • 2000+

    Ulusal Mühendislik Örnekleri

Hangzhou Lvran Environmental Protection Group Co., Ltd., Ar-Ge, teknik hizmetler, tasarım, üretim, mühendislik kurulumu ve satış sonrası hizmetleri entegre eden kapsamlı bir atık gaz arıtma sistemi mühendislik servis sağlayıcısı ve ekipman üreticisidir.

We are China Kimyasal Yıkayıcı Suppliers and Wholesale Kimyasal Yıkayıcı Exporter, Company. Grup, ulusal bir yüksek teknoloji kuruluşu, bir Zhejiang Eyaleti bilim ve teknoloji kuruluşu, bölgesel bir Ar-Ge merkezi ve AAA dereceli bir kredi birimidir. 30'dan fazla faydalı model patentine, çok sayıda buluş patentine ve yazılım telif hakkına sahiptir. Grubun, Anhui Bilim ve Teknoloji Üniversitesi ile kurulan "Çevresel Yenilik Ar-Ge Merkezi" ve Zhejiang Bilim ve Teknoloji Üniversitesi ile ortaklaşa geliştirilen "Plazma Enerjisi ve Çevresel Yeni Teknoloji Ar-Ge Merkezi" dahil olmak üzere yerli üniversiteler ve kurumlarla uzun süredir devam eden teknik Ar-Ge işbirlikleri bulunmaktadır. Grup, derinlemesine teknik işbirliği için kendi Ar-Ge ve üretim üssünü kurmuştur. Grup, temel VOC gaz arıtma teknolojisine, belediye bayındırlık işleri inşaatı için Seviye 2 genel müteahhitlik yeterliliğine, güvenli üretim lisansına, Zhejiang Eyaletindeki çevre kirliliği kontrolüne yönelik B Sınıfı özel tasarım yeterliliğine, sınıflandırılmamış işgücü hizmeti niteliklerine ve özel projeler için özel sözleşmelere sahiptir. Grup, uluslararası kalite için ISO9001, çevre yönetimi için ISO14001 ve iş sağlığı ve güvenliği için ISO45001 sertifikasına sahiptir.

ONUR & SERTİFİKA

Aşağıdaki ödüller bizim parlaklığımızı temsil ediyor. Yüksek kaliteli ürünlerle müşteriler kazanırız ve iyi hizmetlerle piyasadan ve hayatın her kesiminden büyük övgüler kazanırız.

  • Yüzey boyunca sızıntıyı önlemek için plaka tipi yüksek elektrik alanlı temel ünite ve reaktör
  • Karbon dioksit ve su kullanarak metanol sentezlemek için bir reaksiyon cihazı ve karbondioksit ve su kullanarak metanol sentezlemek için bir yöntem
  • Kendi kendini temizleyen elektrostatik çöktürücü
  • Rüzgar yönü ayarlama fonksiyonuna sahip, korozyona dayanıklı yüksek basınçlı fan
  • Ayarlanabilir, kendi kendini temizleyen, yüksek kapasiteli fan
  • Kombine katalitik gazlaştırma egzoz gazı ön arıtma kontrol sistemi
  • Buharlı temizleme sürekli elektrostatik alan egzoz gazı arıtma ve arıtma sistemi
  • Düşük sıcaklıkta plazma UV fotoliz egzoz gazı arıtma ekipmanı sistemi
  • Marka tescil belgesi
Son Haberler ve Etkinlikler
Sizinle paylaşın
Daha Fazla Haber Görüntüle